Studiul unei retele liniare in c.c.
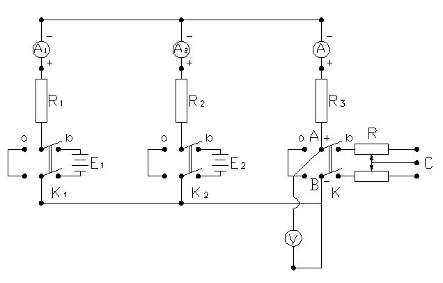
1. Schema de montaj folosita

R - reostat cu cursor cu doua suluri 2 x 250 W 1,6 A legate in serie sau
o rezistenta fixa corespunzatoare;
K, K1, K2 - comutator bipolar inversor cu parghie;
E1, E2 - surse de c.c. de 6 V si 8 V realizate din acumulatoarele alcaline
b) teorema superpozitiei;
c) teorema reciprocitatii.
Verificarea teoremelor lui Kirchkoff.
Verificarea teoremei superpozitiei.
Verificarea teoremei reciprocitatii.
Verificarea teoremei lui Thévenin.
Verificarea teoremei lui Norton.
Modul de lucru
1. a) Se aplica teoremele lui Kirchkoff unei retele ce contine in laturi rezistentele R1, R2, R3 cu valorile date si rezistenta R=100 W. T.e.m. vor fi E1=6 V si E2 =8 V iar comutatorul K inchis pe pozitia (a). Rezultatele obtinute se trec in tabelul 1.
TABELUL 1
|
Rezultate calculate |
Rezultate experimentale |
||||
|
I1 |
I2 |
I |
I1 |
I2 |
I |
|
[mA] |
[mA] |
[mA] |
[mA] |
[mA] |
[mA] |
|
|
|
|
|
|
|
TABELUL 2
|
Rezultate calculate |
Rezultate experimentale |
|
||||||||||||||||
|
I1′ |
I1′′ |
I1 |
I2′ |
I2′′ |
I2 |
I′ |
I′′ |
I=I1+I2 |
I1′ |
I1′′ |
I1 |
I2′ |
I2′′ |
I2 |
I′ |
I′′ |
I=I1+I2 |
|
|
[mA] |
[mA] |
[mA] |
[mA] |
[mA] |
[mA] |
[mA] |
[mA] |
[mA] |
[mA] |
[mA] |
[mA] |
[mA] |
[mA] |
[mA] |
[mA] |
[mA] |
[mA] |
|
|
|
|
|
|
|
|
|
|
|
|
|
|
|
|
|
|
|
|
|
TABELUL 3
|
Tensiunea E1 |
Rezultate calculate |
Rezultate experimentale |
||||||||||
|
I11 |
I21 |
I01 |
I12 |
I22 |
I02 |
I11 |
I21 |
I01 |
I12 |
I22 |
I02 |
|
|
[V] |
mA |
mA |
mA |
mA |
mA |
mA |
mA |
mA |
mA |
mA |
mA |
mA |
|
|
|
|
|
|
|
|
|
|
|
|
|
|
TABELUL 4
|
I1 |
I2 |
I |
UAB |
UABo |
R |
RABo |
IABcalc=I |
|
[mA] |
[mA] |
[mA] |
[V] |
[V] |
W |
W |
[mA] |
|
|
|
|
|
|
|
|
|
TABELUL 5
|
UAB masurat |
IABSC |
GABo=1/RABo |
G=1/R |
UAB Calculat |
|
[V] |
[mA] |
W |
W |
[V] |
|
|
|
|
|
|
|